Overview of this Hilink URB1D12YMD-10WR3 110V to 12V buck converter
Introducing the Hilink URB1D12YMD-10WR3, your go-to solution for efficient power conversion. This buck converter easily transform 110V to 12V & provide a reliable and stable output for various applications. With a robust 10W power rating and 833mA output, this step-down module ensures optimal performance in a compact design.
The Hilink URB1D12YMD-10WR3 110V to 12V Buck Converter is engineered for versatility and compatibility. This module offers a wide input power range from 40V to 160V, catering to diverse electrical systems. Its 91% power transfer efficiency ensures energy saving capabilities. And also make it perfect choice for applications where power consumption is a critical consideration.
Experience seamless power management with the Hilink 110V to 12V 10W 833mA Buck Converter. This compact and reliable step-down DC-DC module combines the trusted Hilink brand with a precise output. And also make it perfect for various electronic devices and systems. Upgrade your power conversion capabilities with this efficient and adaptable solution.
Features
- Wide Input Compatibility: The Hilink URB1D12YMD-10WR3 stands out with its broad input power range, from 40V to 160V. This ensures versatility, making it a perfect fit for a wide array of electrical systems and applications.
- Optimized Energy Efficiency: With an impressive 91% transfer efficiency, this Hilink 110V to 12V buck converter excels in power conversion. It not only delivers a stable 12V output but also minimizes energy consumption And also fit with modern standards for efficient electronic devices.
- Space-Saving Design: Crafted with efficiency in mind, the compact design of the Hilink URB1D12YMD-10WR3 also makes it best choice for device where space is at a premium. Its small footprint doesn’t compromise on performance, offering a blend of functionality and practicality.
- Stable and Precise Output: This buck converter also provide a dependable 12V output with a power rating of 10W and a current of 833mA. Whether for electronic devices or systems, the Hilink URB1D12YMD-10WR3 ensures a consistent and precise power supply.
- Trusted Hilink Brand: As part of the renowned Hilink product line, this buck converter is also backed by the quality assurance that comes with the brand. Users can rely on its durability and precision, knowing they have a trustworthy solution for their power conversion needs.
Specification
| Specification | Value |
|---|---|
| Input Voltage Range | 40V – 160V |
| Output Voltage | 12V |
| Output Power | 10W |
| Output Current | 833mA |
| Efficiency | 91% |
| Conversion Type | Buck Converter |
| Operating Temperature Range | -40°C to 85°C |
| Dimensions (L x W x H) | 12*12*5 mm |
| Weight | 15 gm |
| Input/Output Isolation | [Insert Isolation Type] |
| Overvoltage Protection | Yes |
| Short Circuit Protection | Yes |
| Ripple and Noise | [Insert Ripple/Noise Specifications] |
| Certification | [Insert Certification Information] |
Main use of this Hilink 110V to 12V 10W 833mA buck converter
- Electronics Power Supply: The Hilink URB1D12YMD-10WR3 shines as a trusted 110V to 12V buck converter. And make it perfect to supply stable power to a range of electronic devices. From sensors to microcontrollers, this converter ensures a regular and efficient 12V output for smooth electronic operations.
- Industry Automation: In the realm of industry automation, the Hilink URB1D12YMD-10WR3 serves as a pivotal component. And also offer a dependable 12V power source for control panels, sensors, and various automation system elements. Its robust design and high efficiency make it perfect for harsh industry environments.
- Renewable Energy Systems: Embrace performance with the Hilink 110V to 12V buck converter in renewable energy applications. And also convert varying input voltage into a stable 12V output. This makes it an important tool in renewable energy systems & ensure efficient power conversion and utilization.
- Automotive Applications: Drive innovation in vehicle electronics with the Hilink URB1D12YMD-10WR3. And also serve as a trusted 110V to 12V power converter. Whether for cameras, sensors, or communication systems, this converter provides a steady 12V supply for easy use within vehicles.
- DIY Projects: It is also use by DIY enthusiasts and hobbyists. This Hilink URB1D12YMD-10WR3 is also a versatile and perfect solution for various projects need a regular 12V power supply. Its user friendly design and efficiency also make it perfect choice to power DIY electronics and experiment setup.
Input Characteristics of this Hilink URB1D12YMD-10WR3 110V to 12V step down module
| Project name | Working conditions | Unit | Notes |
| Related input voltage of Hlk-URB1D12YMD-10WR3 110V to 12V 10W 833mA DC DC power supply module | 110 | Vdc | |
| Input voltage range | 40-160 | Vdc | |
| Maximum input current | ≤0.3 | A | |
| Reflection ripple current | 20 | mA | DC12V rated input voltage series |
| Impulse voltage | ≤200 | Vdc | |
| Starting voltage | 40 | Vdc | |
| Input undervoltage protection | 36 | Vdc | |
| Start-up delay | 1 | ms | Rated input voltage and constant resistance load |
| Input filter type | PI version | ||
| Hot plugged | Non-support | ||
Output Characteristics(12V/830mA) :
| Project name | Technical requirement | Unit | Notes |
| No load rated output voltage of Hlk-URB1D12YMD-10WR3 110V to 12V 10W 833mA DC DC power supply module | 12V±2% | Vdc | |
| Short-time maximum output current | ≥930 | mA | |
| Rated output current | 830 | mA | |
| Voltage regulation | ±0.5 | % | |
| Load regulation | ±1 | % | |
| Transfer efficiency | Vin=110Vdc, output full load 91 | % | |
| Output ripple and noise (mVp-p) | ≤100 Pure resistance load, 20MHz bandwidth, peak to peak value | mV | |
| Output over-current protection | the maximum load 110-200% | Vdc | |
| Insulation voltage | Input- output, test in 1 minute, leakage current less than 1mA/1500V | – | |
| Insulation resisitance | Input- output, insulation volaltge 500VDC/1000MΩ | MΩ | |
| Isolation capacitance | Input- output, 100KHz/0.1V 1000pF | – |
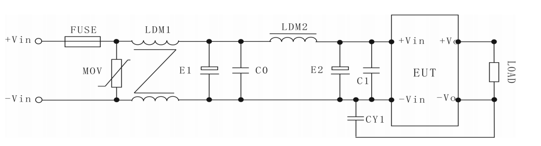
Typical Application Circuits : RW-DC010
Relevant Power Module
| Hi-link Power Module | Input & output | Current & power | Buy Link |
|---|---|---|---|
| Hilink URB1D12YMD-10WR3 110V to 12V buck converter | 110V to 12V | 10W 833mA | Buy now |
| URB2405YMD-10WR3 24v to 5V 10W buck converter | 24V to 5V | 10W 2A | Buy now |
| Hi-link URB2405YMD-20WR3 dc-dc power module | 24V to 5V | 20W 4A | Buy now |
| Hi-link B0524S-1WR3 dc-dc converter | 5V to 24V | 1W 42mA | Buy now |
| Hi link B2405S-1WR3 isolated dc converter | 24V to 5V | 1W 200mA | Buy now |
| hi-link K7803-500R3 3.3V isolated dc converter | 78V to 3.3V | 0.5W | Buy now |
| Hi-link B2405S-2WR3 isolated dc converter | 24V to 5V | 2W 400mA | Buy now |
| Hi-link B2403S-2WR3 isolated dc converter | 24V to 3V | 2V 666mA | Buy now |
| Hi-link B1209S-2WR3 isolated dc converter | 12V to 9V | 2W 222mA | Buy now |


Reviews
Clear filtersThere are no reviews yet.